PRODUCENCI
WYSZUKIWARKA
WALUTY
- LEGRABOX C (min wysokość 193 mm) z BLUMOTION antracyt, jedwabiście-biały, czarna lub inox do wyboru rozmiar 270-650 mm Legrabox C
- Szuflada Tandembox ANTARO D BLUM (min. wys 228mm) - rozmiary od 270 -650mm Antaro D BS
- Mechanizm blatu TOP FLEX 10.41.S
- Szuflada Merivobox E Boxcap trzy kolory
- LEGRABOX F (min wysokość 257 mm) z BLUMOTION antracyt, jedwabiście biały, czarny lub inox rozmiar 400-650 mm Legrabox F
- Szuflada Matrix S Slim Hafele
- Szuflada wewnętrzna Tandembox ANTARO M BLUM (min. wys 98,5mm) - rozmiary od 270 do 650mm Antaro W M BS
- AVENTOS HL Top - komplet do złożenia
- Prowadnice MOVENTO TIP-ON BLUMOTION 40 kg lub 60 kg MOVENTO TIP-ON BLUMOTION
- CLIP TOP BLUMOTION zawias 110°, nakładany, ze sprężyną, puszka na wkręty dwa kolory 71B3550
- MOVENTO 40 kg i 70 kg z Blumotion różne długości MOVENTO 40 kg i 70 kg z Blumotion
- Szuflada wewnętrzna Tandembox ANTARO D BLUM (min. wys 228mm) - rozmiary od 270 do 650mm Antaro W D BS
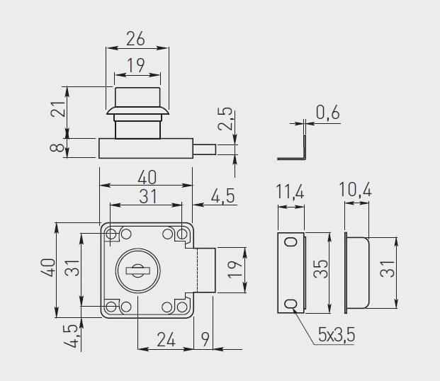
Zamek kwadratowy ZZ-KM-138-01-S
Opis
Zamek meblowy z kluczem
W skład kompletu wchodzi zamek, skuwka oraz dwa klucze.
Dane techniczne
| Materiał | Stal |
| Rodzaje zamków | Zamki kwadratowe |
NEWSLETTER
ZADZWOŃ
663 783 083 sklep@phu-gral.pl