PRODUCENCI
WYSZUKIWARKA
WALUTY
- LEGRABOX C (min wysokość 193 mm) z BLUMOTION antracyt, jedwabiście-biały, czarna lub inox do wyboru rozmiar 270-650 mm Legrabox C
- Szuflada Tandembox ANTARO D BLUM (min. wys 228mm) - rozmiary od 270 -650mm Antaro D BS
- Mechanizm blatu TOP FLEX 10.41.S
- Szuflada Merivobox E Boxcap trzy kolory
- LEGRABOX F (min wysokość 257 mm) z BLUMOTION antracyt, jedwabiście biały, czarny lub inox rozmiar 400-650 mm Legrabox F
- Szuflada Matrix S Slim Hafele
- Szuflada wewnętrzna Tandembox ANTARO M BLUM (min. wys 98,5mm) - rozmiary od 270 do 650mm Antaro W M BS
- AVENTOS HL Top - komplet do złożenia
- Prowadnice MOVENTO TIP-ON BLUMOTION 40 kg lub 60 kg MOVENTO TIP-ON BLUMOTION
- CLIP TOP BLUMOTION zawias 110°, nakładany, ze sprężyną, puszka na wkręty dwa kolory 71B3550
- MOVENTO 40 kg i 70 kg z Blumotion różne długości MOVENTO 40 kg i 70 kg z Blumotion
- Szuflada wewnętrzna Tandembox ANTARO D BLUM (min. wys 228mm) - rozmiary od 270 do 650mm Antaro W D BS
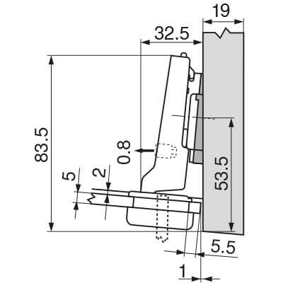
CLIP TOP zawias do drzwi szklanych 94°, drzwi wpuszczane, ze sprężyną, puszka na wkręty 75T4300
Opis
CLIP TOP zawias do drzwi szklanych
75T4300
- zawias do drzwi szklanych
- do grubości szkła 4.5-7 mm
- CLIP top system samodomykania (sprężyna)
- kąt otwarcia 94°
- regulacja frontu w trzech wymiarach
- wygodna regulacja głębokości dzięki przekładni ślimakowej
- montaż i demontaż drzwi bez użycia narzędzi
- wkręty do mocowania puszki w komplecie
NEWSLETTER
ZADZWOŃ
663 783 083 sklep@phu-gral.pl